Headlight Notes
Dec
2020 R. Kwas Material added constantly. [Comments
Added]
-------------------------------------
These notes are intended to cover Headlight Control and Additional Lighting, like Fog or Spot/Driving Lighting.
Note: This new article contains previously covered material, but I have added new material, consolidated, and cleaned it up and tried to present it better and more easily followable.
If the reader is considering Lighting changes and improvements, they should have a look also at Lighting Notes, Including Upgrades...I will leave the older tech articles posted, but I expect to eventually consolidate all the separate articles in to one place.

It doesn't look like Steven Kraft is going to "overdrive his lights" any time
soon!
Picture posted with his kind permission.
-------------------------------
Level 1 Relay for Headlight Signaling
Level 2 Control of
Headlights with Bistable Relay
Control of Headlights with
Bistable Relay on an 1800
Adding Fog or Spot/Driving Lights
Add-On Fog Lights Notes
Add-On Driving
or Spot lights Notes
Wiring of Additional Lighting
Stabilizers for Additional Lighting
Reference Information
Bistable Control Relay
Variations in
Bistable Relays
Headlights ON Reminder Beeper
Sealed Beam Headlights Information
H3 Dimensional
Considerations
Headlight
Illumination Pattern
Location of Wires
for "Relay for Headlight Signaling"
Light Socket Information
Wiring Additional Lighting...Reviewing the Basics
Selecting Wire Gauge
Links to other SW-EM
Articles on Lighting
History and Evolution of US Vehicular Lighting
--------------------
There are two+ Levels of changes possible to the vintage Volvo Forward Lighting. The changes covered here can be made on 544 and 1800 vehicles as well, with the appropriate variation in harness and details. The 122 wiring is shown here as an example. Added: Control of Headlights with Bistable Relay on an 1800.
Reference 122 Wiring Diagram: https://www.sw-em.com/122S%20Wiring%20Diagram.jpg
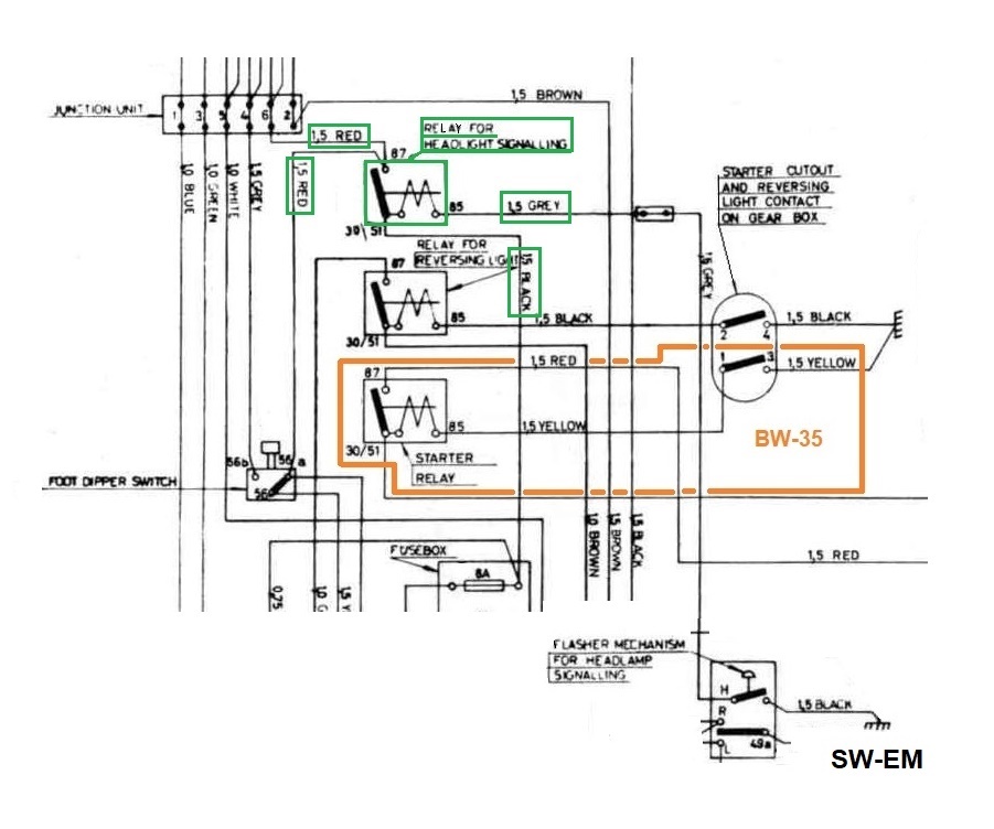
Level 1. The "Relay for Headlight Signaling" as shown in the factory Wiring Diagram can be restored and added back into place, so this cannot rightly be called an "upgrade". This relay was not (allowed to be!) installed in the US...if a US driver wanted to flash their Headlights to signal another driver, they couldn't simply pull back on the Directional Stalk like drivers elsewhere in the world could...this Stalk position was without function in the US!...the brainacs at the USDOT made drivers move their hand from the Steering Wheel and activate the Lightswitch!
Level of difficulty: Quite Simple!...required wiring (Red, Grey and Black) is in place in all harnesses, so (re)activation of this function is a simple matter of adding the RfHS back in at the relay area in engine compartment (a simple 3 Terminal relay will do, since the Coil power is also the Load power!), locating the wires (which are present, but tucked into harness and unused, see: Location of Wires for "Relay for Headlight Signaling" ), and making the relay connections.
Explanation of Circuit Function: Power for RfHS is supplied by Black wire from Fuse 4 (8A). Grey wire from momentary grounding contact at Directional Stalk (or as Volvo calls it on the WD "Flasher Mechanism for Headlamp Signaling") completes circuit to chassis for relay coil which closes working contact of relay, and applies power to Red wires (Hibeam circuit). Hibeam circuit is energized for as long as Stalk is pulled back, and since power is taken from a Battery (continuously) powered Fuse 4, this function is available any time, even when Ign is OFF.

The Green highlighted "Relay
for Headlight Signaling" is added and
function is restored with existing Green
highlighted wiring, as it is shown
in this excerpt of the factory 122 Wiring Diagram. Notice the RfHS is simply
in parallel with the "Foot Dipper Switch" (either component can apply power to
the Red wire (Hibeam circuit) .
After making this change and restoring the Headlight Flashing Function, a vintage Volvo will have the same feature this model had in parts of the world, other than the US, when it was originally produced.
See also: Reference Information: Location of Wires for "Relay for Headlight Signaling"
----------------
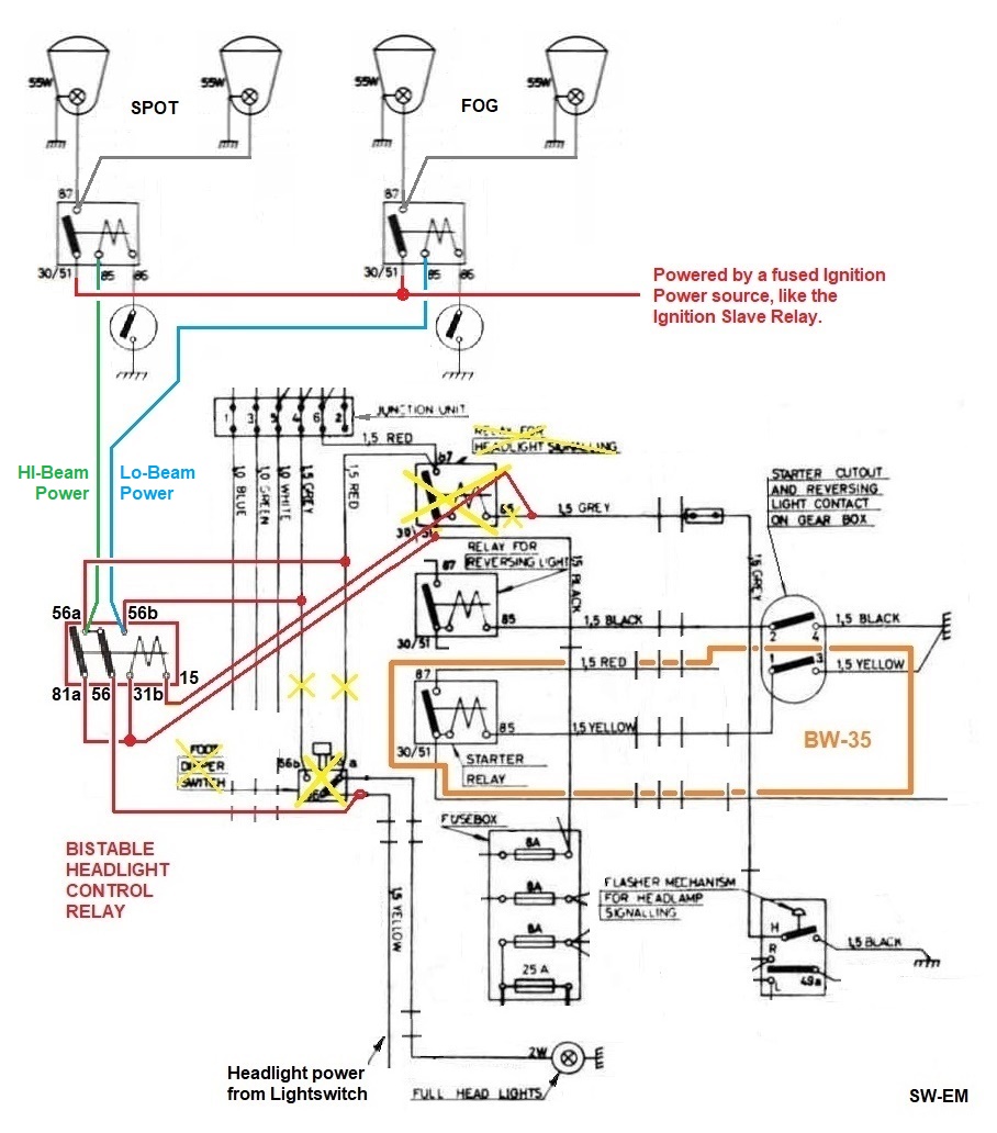
Level 2. Upgrade to a modern Directional Stalk Control of Headlights with Bistable Relay. This would bring the 122 Headlight control system to even more modern state than it ever had from the factory, so can rightly be called and "upgrade". This change requires installing a Bistable Headlight Control Relay (same as fitted to 140 and later models) in the relay area, also using the existing wiring (Grey and Black) to activate it, but it also requires relocating the wires of the OE "Foot Dipper Switch", to the new BHCR in engine compartment, so it can do the Hibeam/Lobeam switching when Headlight Switch is ON. The Momentary Hibeam flash (anytime) is also handled by a momentary contact in the BHCR
Note: When adding the BHCR, it is not possible to also keep the Foot Dipper Switch, and have both connected and able to function, so this is truly a conversion from Footswitch to Stalk control. [...and for my Amazon owning friends in foreign lands, where the Relay for Headlight Signaling may have been fitted, but who now want to upgrade to a BHCR, the RfHS must be removed also!]
Level of Difficulty: A bit more involved, but still a Saturday morning project.
Explanation of Circuit Function: Power for BHCR and Momentary Hibeam flash function is again provided by Fuse 4 (8A).
Momentary function (Headlight Signaling): Directional Stalk can be pulled back activating BHCR any time (including when Ignition or Headlights are OFF), relay is activated, and power is applied to Red wires (Hibeams circuit) by way of momentary contact 56a.
Hibeam/Lobeam Control Function: When Headlight Switch is turned ON, Headlights (Hi/Lobeams) are in the last position they were left in when Light Switch was turned OFF. When Directional Indicator Stalk is pulled, Hibeams are activated for as long as Stalk is pulled back, and when released, bistable contact drops to terminal 56a (Hibeams), or 56b (Lobeams) alternately, and remains stably there until next time relay coil is powered, at which time it drops to the alternate contact, and remains there stably. This toggling function, and stability in two positions gives the Bistable Relay its common name. In the "Foot Dipper Switch" the toggling function was mechanical, in the Bistable Relay, toggling function is electro-mechanical.

Red is IN,
Yellow is OUT or Disconnected in
this marked-up excerpt of factory Wiring Diagram.
Red highlighted Bistable
Headlight Control Relay is installed using wiring which was formerly intended to
control the Relay for Headlight Signaling (Gray Wire), and "Foot Dipper Switch" is
removed.
Control of Headlights with Bistable Relay on an 1800.

Red is IN,
Yellow is OUT or Disconnected in
this marked-up excerpt of factory Wiring Diagram.
Red highlighted Bistable
Headlight Control Relay is installed using wiring which was formerly intended to
control the Relay for Headlight Signaling (Violett-Brun Wire), and "Foot Dipper Switch
(Fotomkopplare) is removed"
Injected 1800s like this E, had Headlight switching by way of a Bistable Relay from the factory (Reference: 1800E Wiring Diagram Item 12), so adding Fog or Driving Lights is a simple matter, as covered below.
Gonzalo Manzur picture reposted with his kind permission...he calls it "Chilean Sunset".

1800s do well with additional lighting.
Adding Fog or Spot/Driving Lights.

Whether trying to make it safely down a foggy interstate, or bombing down dark
Swedish woods as in this picture by Rick Watson,
additional lighting to address the very different and special requirements of
either, will allow you to see where you're going!
In this picture, it looks like he has both Fogs (Orn) and Driving lights
(Grn) ON for
MAXIMUM Lighting!
R. Watson pictures used with his kind permission.

Rick Watson with his beautifully restored, and slightly warmed-up Amazon,
loves waking the reindeer in otherwise dark Swedish forests!

Lighting pattern and Adjustment of Additional Fog Lights should be low, to
minimize blinding reflections,
and to the sides, to illuminate road side-markings and signage (and suicidal
wildlife!), as seen above in
(Orn).
Additional Rear-Mounted Diffuse Red can be added to increase visibility for those following. I realize this is the Headlights Notes page, but this still seemed the best place to add these rear-facing lighting improvements. Some examples follow.
See also Additional Fog Lighting below.
![]() |
![]() |
![]() |
| Picture by H.-D. Kleine of the Volvoniacs Forum and used with his kind permission. | Picture by Christoph W. also of the Volvoniacs Forum, and used with his kind permission. | In order to clear the Tailgate swing, the Rear Foglight is located below Bumper on this Amazon Kombi, and in order to leave it less vulnerable to attack by parking barriers, it is also rectangular, and no lower than Exhaust Tip! |
This British owner has added dual Rear Foglights and a raised
Third
Brake Light, for maximum visibility to those following.
Also shown is the
DQBVVATS (Dual Quadraped Biological Vintage Volvo Anti-Theft System)!
Jayne Berry pictures used with her kind permission.
How would you rather like to look, if you must be out and about on some foggy night...?
![]() |
![]() |
| Like this? | ...or like this? |
Add-On Driving or Spot lights Notes:

Lighting pattern and adjustment of Driving or Spot Lighting (also "Pencil
Beam") is straight out front,
as seen above in (Grn), such that even if you were at terminal velocity on the
Mulsanne Straight,
you would still be able to
see further than your braking distance!
Wiring of Additional Lighting:
Add-on lighting can be wired with completely separate circuits, with separate Dashboard controls for each circuit, allowing driver to power any combination of OE plus additional lighting, OR wired combined with the standard Hi and Lobeams such that switching becomes automatic and slaved to the Bistable Headlight Control Relay (by taking the power to the controlling relays from the Hi and Lobeam circuits). If combined, Fog Lights should be wired to be enabled with Lobeams, and Spot/Driving Lights should be wired to be enabled when Hibeams are ON [...one wouldn't want it the other way around!]. This automates the switching such than the driver can simply switch between Hi (plus Spot/Driving lights option), or Lo (plus Fog lights option), and this functionality is actually required by Euro-Regulation.
Be aware that the Wattage required for Additional lighting will result of a total additional load current (of 9Amps for two 55Watt elements for example) on the electrical system, so should only be considered after increasing the Charging System nominal output. An aging OE Bosch 30A generator does not have the output margin, especially at low RPMs, to run the Ignition, normal lights, and general loads, plus the additional lighting load. If additional lighting were installed without uprating the Charging System, Battery would have to contribute energy and would be being discharged whenever the additional lighting was ON...not a good situation! If the reader is considering additional lighting, an Alternator upgrade should be included in the plan!
Update: Of course, the new technology LED elements, being highly efficient, typically draw a quarter (or less!) of the current the incandescent elements draw, so add-on lights with LED elements are recommended if adding them is NOT going to be accompanied by a Charging System upgrade! Also, be careful to buy quality lights, and examine the beam pattern critically before buying to assure it will give the desired result (or go by a trusted recommendation from someone who has)!...there is a lot of china-junk out there!
See also: Wiring Additional Lighting...The Basics

Suggested Fog/Spot Light Control Wiring with automatic switching. Again,
Red is IN,
Yellow is OUT or Disconnected,
and Green and Blue have been added in this marked-up excerpt of factory Wiring
Diagram.
"Lo-beam Power" (56b)
also enables Fog Relay control, and "Hi-beam Power" (56a) also enables Spot Relay
control,
when their respective Dashboard control switches are ON.
Power for additional Lighting should be by a fused Ignition Power source...like
the Ignition Slave
Relay.
Note also, automated control can come from OE "Foot Dipper Switch" in Level 1 diagram above, OR "Bistable Headlight Control Relay" (56b), so the automatic switching can still be incorporated at Level 1 without a BHCR.

Suggested Foglight Control Wiring. The control circuit shown
here,
includes the optional Rear Fog Light for
improved visibility by those
following! If the Rear Fog Light is a low-current-drawing LED, one could
even forego the Relay!
Additional Spot/Driving lights: Similar to Foglight control wiring above, but replace "Lobeam Power" in the drawing, with Hibeam Power (56a), omit Rear Relay, and Light, and connect Dashboard Indicator in parallel with Lights.
--------------------------------
Stabilizers for Additional
Lighting:
Steady/Stay Bars for additional calming of "Foglight-Parkinsons"!
Bouncing Lights? Sometimes the mounting of Fog or Spot additional lighting results in physical properties of their mass and mounts, such that resonances occur with what is essentially an "overhanging mass", because of the single support. When this occurs, the light from them can bounce or flicker annoyingly, severely detracting from their usefulness!
Several styles of steady bar linkages are available for connecting between top/back of the Lights (additional hole(s) will be necessary!) to the solid structure of the nose, these will give a second mechanical support and (usually!) put and end to these resonances. Some variations are shown here.
![]() |
![]() |
| Picture source: https://www.merlinmotorsport.co.uk/p/adjustable-lamp-steady-bars-pair-ge56 | Available from Biltema, the Swedish automotive supplier: |
Pictures of steady bars installed on some serious rallye Volvos:

https://www.sparelch.de/ Marc S.

Knut G. picture used with his kind permission.
![]() |
![]() |
Constant Busch pictures used with his kind permission.
--------------------------------
Bistable Control Relay (Volvo Part No. 1307991, supplied by HELLA, SWF and other manufacturers).

These are quite common, having been used on the
140s for Headlight control, some 1800s for Headlight and
Overdrive
control, and later Volvo
models, also for Headlight control, so they are readily available new and used.
Before installing a used Bistable Relay (German: Kipprelais), an internal inspection of the condition
of the contacts and lubing the mechanical workings, is good practice!

Bistable Relay, (HELLA version, [to be
confirmed!]) internal view. Teeter-totter toggling mechanism is
apparent, as is Red Synthgrease
I have applied to it.
A used Bistable Relay was recently obtained and inspected for possible reuse:
SWF version PN R 200 836 and SWF logo are clearly apparent on the underside.

SWF PN R 200 836
After cleaning off the engine compartment grime of 40 years, the securing tabs on the alu can were gently bent open to allow removal of the internal assembly for inspection. This example is in very decent condition evidenced by the limited pitting visible at Green highlighted Momentary (M) contact to the right of their teeter-totter mechanism highlighted in Orange. Since this contact is commoned with one of the other bistable contacts (1) at Blue, and is clearly ONLY closed while the relay is under power and "picked", it can be deduced that these are the Hi-Beam contacts. The lone Yellow highlighted bistable contact (2) and its terminal are therefore the Lo-Beam output.

A close-up look at the (open) Lo-Beam contact (2) shows remarkably little (actually zero!) wear or erosion, and the generally stout mechanical construction! This finding also suggests pretty undeniably that this Relay was probably used not in Headlight control, but in OD service, where only the Blue contact (1) would be in service. This SWF version of the Bistable Relay gets two thumbs up (and OK to reuse!) from the SW-EM Hipshot Quality Evaluation Department (SW-EM HQED)!

The teeter-totter mechanism will again be lubed with a dab of Red Synthgrease, the relay reassembled into its cleaned and polished can, and this little electromechanical marvel is approved by the Swedish-Embassy Restoration and Refurbishment Center (SW-EM RRC) for return to active service, controlling either Headlights OR an Overdrive Solenoid (Link: OD Wiring 2)!
---------

Bistable Relay Volvo Part No. 1307991, terminal view.
Note: It is not necessary to have an internal electrical connection to chassis for relay to function...coil is isolated from enclosure, and this can be simply confirmed with a continuity test. In fact, in order to employ the relay in the manner it is in our cars (that is, with one ["high"] side of coil supplied by power, and the other ["low"] side of coil switched to chassis by way of contact at the Directional Stalk...in other words: Low side Switched, the relay coil must be isolated from the enclosure).
-------------------------------
Variations in Bistable Relays:
Functionally, the Bistable Relays of the different manufacturers are equivalent and can be interchanged, however it has been pointed out, by observant installers, that some variations occur, and this brought up questions of suitability. Most notably, an installer contacted me asking about the suitability of a BR he had obtained which had 8 terminals, vs. the six terminal relay I show in the diagrams featuring an (apparently older version) SWF R 200 836 above.
Below, I have cleaned up several BRs out of the SW-EM Component Hoarding and Storage Department (SW-EM CHaSD), and all are electrically interchangeable! Both top two in the following picture are from SWF, the top left is a PN R601.323 with 6 terminals, while the top right is an SWF, PN R601.322 with 8 terminals. The observant reader will notice the orientation of the terminals is similar on both relays, but with the terminals 56a and 56b apparently "doubled up" on the .322 part...and indeed, a continuity test confirms this! The most observant reader may also notice that the mounting bracket is on opposite sides on these two BRs.
Both SWF BRs are absolutely interchangeable! The only thing installer must be aware of IF and when simply plugging the multiple contact harness connectors shown on the bottom Left, is that in those connectors, the outer two stations are populated, not the inner two! (Those two connectors came with the BR harvested from a 140 Volvo harness, and would clearly be compatible with either SWF BR, but not the HELLA unit on the bottom Right).
Notice also, that the bottom Right BR is a HELLA PN 91/46-3-12V, with 6 terminals, and that terminals 56a and 56b are in similar location as the SWF Relays.
I guess the take-away from this is to wire these components carefully observing the marked terminal numbers on the different versions from different manufacturers! As I have suggested above, when procuring a used BR, it is always good practice to gently remove the housing for an internal inspection and lubing of the bistable mechanism. I like Mobil 28 Synthgrease for this.
Comparing Bistable Relays. All three would be suitable for Headlight
Switching OR Overdrive Control duties, when carefully observing the details and
connecting wires to their respective correct terminals!
If questions remain, in looking for further info on Bistable Relays, I see that Dave Barton, 240 and electrical expert, has published extensive info here: https://www.240turbo.com/headlightrelay.html He also notes the functional equivalence but difference in extra terminals between SWF .323 and .322 part numbers a shown above...
-------------------------------
Headlights ON Reminder Beeper:
I don't like a lot of buzzers and beepers in my cars...but something that I don't mind my vehicles to remind/nag me about, is "Lights left ON with engine OFF", because this load is certain to drain the battery within hours and prevent starting.
Here is a circuit diagram for the absolute simplest circuit which will do this. It powers the audible indicator of your choice from the Light Switch, and completes the low side circuit to battery negative with a new relay which needs to be added (and which provides an IGN OFF function that is otherwise not available in these vintage vehicle systems). This relay is a standard, low-cost “Form “C” type (Bosch No. 0 332 209 150, 5 Terminal or similar), wired to provide a closed contact, and connection to chassis (only) when IGNition is OFF, by way of the N.C. contact 87a.
See also: Ignition Slave Relay
Link to Tech Article: Comparing 3, 4 and 5 terminal Relays: https://www.sw-em.com/Ignition_Slave_Relay.htm#comparing_3_4_and_5_terminal_relays

I developed this Ultra-Simple (and low cost) Lights On Reminder Circuit on the request of a 122 owner. Link to Thread: http://www.brickboard.com/RWD/volvo/1266780/120-130/headlight_buzzer.html
It could certainly be used for other vintage Volvo vehicles. The design locates the new relay under the hood where it can be wired to pick up fused IGN power, routes a single control wire through the firewall, and locates the audible indicator under the dash where it will be heard and also simply connected to the lights switch.
-------------------------------
Sealed Beam Headlights Information:

-------------------------------
H3 Dimensional Considerations:
H3 is a standard for light source (typically used for supplemental lighting, but not exclusively), which covers critical dimensions for electrical and optical characteristics (such as wattage and the location of the light element), and also mechanical characteristics which allow precise fit into the receiving fixture. Given these dimensions, Lighting fixture manufacturers can design their equipment knowing exactly where the light source will be located, to result in a precisely directed light output.

Source HELLA Website:
The Critical Dimensions are highlighted, and these are the reason, why installing LED replacements is not a simple matter...if the light emitter(s) are not located at this precise point in space (and more importantly, the optical reflector!) they will not play correctly with it! This is quite important for when considering LED emitters! See also: https://www.sw-em.com/Amazon_Rear_Light_Fixture_Restoration.htm#Considering_LED_Replacement_Lamps
Comparing a dimensionally compliant H3, to one of china's finest:

Both Critical Dimensions are
satisfied by the Halogen H3 element on the left, while satisfying the Mounting
Base shape and dimensions alone does NOT make the chinashit LED source on the
right an H3!
The LED source, although sold as an H3, has its multiple emitters
everywhere BUT
the correct place!
How do you think that will play optically with a reflector designed to work with
a compliant H3 source?
Reference: https://en.wikipedia.org/wiki/List_of_automotive_light_bulb_types
Headlight Illumination Pattern, and NOT Blinding Oncoming Drivers:
[I believe simply installing LED replacements without having the illumination pattern carefully checked, explains to a great extent, the recent increase in blinding headlights...whereas in Europe where vehicle must pass a strict technical inspection periodically, and the illumination pattern is very carefully regulated and checked, in our good old US of A, this is unfortunately still a bit of a "Wild West" situation...]
But there are also Do-It-Yourselfers in Europe...and one can adjust and check their headlights themselves!
I found this at: https://www.heimwerker.de/kfz-leuchtmittel/ checking and adjusting your Euro-headlights when shining against a wall at 30 feet. This is obviously for the Low(dipped)-Beams, but it shows the distinct pattern required, and how this is very carefully and sharply lensed so as not to blind on-coming traffic. Unfortunately the US DOT do not specify anywhere near such an exact lighting pattern...in-fact, these bureaucrats have yet to set a maximum height regulation for vehicle headlights, which also goes a long way to explaining being blinded by (much higher located) truck headlights when driving a (relatively low) passenger car...their headlights are at about your eyelevel!!

My answer to a
question about improving Lighting:
"I agree with Andre! The HELLAs are what Andre calls "the Gold Standard" for a good reason: They are well and properly engineered to comply with the strict Euro beam pattern which illuminates the road in the necessary pattern, while NOT blinding oncoming traffic...which is typical of cheap chinatrash...PLEASE do not install this junk...I implore you NOT to be lured in by the cheap price! You get what you pay for! Edit: See also: https://www.sw-em.com/Headlight_Notes.htm...
I did check the Wattage (a while back now) and seem to recall it was not more than the OE Headlights draw, so I don't immediately share Andre's concern, but this should be verified! [Andre; Please show info or link!] If HELLAs are rated for 40/45W (as the OE Headlights are) there is no increase in current and one can expect no electrical issues or have concerns when changing to the HELLA units. Naturally, a preventative inspection of connections and connectors and cleanup as necessary is a good idea when upgrading lighting.
NOTICE: While we're on the subject, BEFORE even considering upgrading Headlights, check that only minimal V-drop is occurring and full V is being applied to Headlights when they are ON. Measure V and minimize/eliminate any V-Drops which cause V measured AT headlights to be less than 0.5V(approx.) less than V measured at Batt! If such a V-Drop is occurring, locate and address and minimize this FIRST and BEFORE even thinking of "upgrading" Headlights!!! Changing Headlights to some fancy new ones WILL NOT result in lighting improvement if poor lighting performance is a result of no applying the most Voltage available to the elements!!! Make ALL connections along the way their best (meaning lowest in-line Resistance) FIRST! For instance, see: https://www.sw-em.com/voltage_drop_in_headlights_power_in... This article is about the Hex Connector in the lighting circuit of the Amazon, but the British "Bullet Connectors" used in the 1800s are even more susceptible to developing in-line R!!
Good Hunting!"
--------------
Location of Wires for "Relay for Headlight Signaling":
When this Relay was not installed on US delivered vehicles, the wires, still present in the harness, were simply insulated and tucked away.
Location of wires on 122 Chassis:

In a 122 harness, the wires can be found in the break of the Harness Sleeving in
the highlighted area, and the Relay can be retrofitted, grouped with the other
Relays as from the factory.
--------------

Location of wiring for (uninstalled in US market) "Relay for Headlight Signaling"
in the (12V) 544 model. Reference:
https://www.sw-em.com/Wiring_Diagrams_and_Related.htm#544/210_(12V)_Wiring_Diagram Here again the Red, Gray and Black wires
involved are tucked into the harness for the "Relä
for Ljussignal", in the area just behind the Headlight connector, so the Relay
can be painlessly retrofitted in this area...I expect that's where the factory
fitted Relay was located, but a kind European 544 owner could please confirm
this...contact me!
-------------------------------
German Version of the popular reference site at: https://de.wikipedia.org/wiki/Lampensockel is far superior, with much more comprehensive data as well as cross-referencing, than the English version: https://en.wikipedia.org/wiki/Lightbulb_socket ...why is that?...maybe I'm just not looking in the right place...!
-------------------------------
Wiring Additional Lighting...Reviewing the Basics!
My response to a
post suggesting
using relays as a "middle man" for additional loads:
"Your auxiliary lights don't always need "a middle man"! ...you could could keep the wiring even simpler by using a ONLY switch rated to carry the total load current, and you wouldn't even need a relay! Relays are necessary ONLY if the switch you are using is not rated for the total current. What you are showing in the picture is two LED lights...these typically draw only a quarter (or less!) of the current the classic H3 incandescent elements (9A each!) drew...but you also show a decorative switch in that picture...so if you insisted on using that wimpy little switch, you WOULD be better off installing a relay to switch the load current (and I highly recommend adding a snubbing diode to prevent contact erosion at the switch!). See: https://www.sw-em.com/Electronic_Upsets_cause_Functional_Dropouts_on_D-Jet_Equipped_Cars.htm#Free-Wheeling_Diodes_and_Relays
You haven't considered ANY numbers in your description...and at some point, you must! ...and it's better do do this up front, not as an afterthought! ...else how are you going to know what gauge wire you need to wire the circuit with...or what Amp rating relay to use in the circuit...or fuse Amp rating to plug into that fuseholder?
Remember, the wire gauge is sized for the load current (so the Load Current is the number you must start with!), and the fuse is sized to protect the wire. It must "blow" open to clear a fault current too high for the wire to safely handle...it's called engineering! Cheers"
Robert Whitton picture shown with his kind permission.

Typical wiring for aux lighting, using a Relay (shortened wires for clarity and
oversight!)...but if the switch is rated for the current drawn by those two LED
lights, the relay is not even necessary!

A typical wiring diagram with Color coded Current Magnitudes to help with what wire gauges should be used.
I have also added the recommended
Snubber Diodes to the Relay Coils.
Guiding steps to add Aux lights [hey, I'm almost an engineer!]:
1 Select the lights type and technology (typically LED nowadays for
their efficiency!):
Fog? (...to illuminate close to the vehicle, roadside
markers, and suicidal wildlife on the side of the road.) See:
Add-On Fog Lights Notes
Spot? (...to illuminate far down the road when you're at top
speed and don't wish to "Overdrive your brakes".) See:
Add-On Driving or Spot lights
Notes
Flood? (...need plenty of light in the trunk, or engine
compartment, or even in the camping area next to the vehicle.)
2. Determine total load Current ( = individual Current rating X Number of
lights):
If this number is more than about 10Amps, installer
should consider an upgrade of the original Charging System,
because when an additional
electrical load of such a magnitude is added to the original
30A Generator Charging Systems, there is not much output left to charge the
Battery!
3. Select Switch:
Decorative (low current rated) switch, to match others in the
dashboard (...this will likely require adding a Relay and
snubbing diode to the circuit to
minimize contact erosion at the switch ..because of the inductive load
which a relay coil represents and resulting contact opening plasma
which is associated with it. See link!) OR
Beefy "generic" switch which is rated to handle the entire
Load Current all by its little self, with no Relay necessary!
3a. Select Fuseholder and populate it with a fuse of the right value:
Fuse holder can be a "flying type", dangling in the air
somewhere, but it's much preferred in a permanent installation, to have it be a
neat,
properly mounted type, (even near the other Fuseholder is
nice!). It should be populated with a fuse, the current rating of which
has been sized
by the following rules: Use a fuse of the nearest
common value which is approximately double the Total Load Current calculated in
step 2, but under
the maximum current rating of the wire (which was first
sized.
Reiterating: The wire
gauge is sized for the Load Current (so the Load Current is the number you must
start with!), and the fuse is sized to protect
the wire.
It must "blow" open to clear a fault current too high for the wire to safely
handle. See also:
Fusing Rules
4. Select Wire Gauge based on Amps from
the following chart:
Always use 600V rated (double insulation thickness) wire, for
automotive work! The normal 300V single insulation thickness wire is just
not suited for
an automotive (high vibration) environment. Also be
aware of the latest china-fraud, where copper plated aluminum wire is sold as
copper wire...just
one more reason why honest people hate the ch3
(cheatin'-chinese-chicomms)!
Remember also if a cute decorative but electrically wimpy
switch is used to control a Relay which is doing the switching of the Load
Current, the switch
wiring is only carrying the Relay Coil Current (typically
under 100mA) so it can be a modest 20ga wire, but the entire path of the higher
Load Current
which the Relay is controlling, must be wired in a gauge suitable for the calculated Load
Current!
Note: The numbers here may not be absolutely consistent with other charts the reader may see elsewhere, including even elsewhere on the SW-EM site. That is because there is always some level of judgment involved in coming up with hard numbers...such as length of the run of wire, rounding to the nearest common value, and if a wire is in the open and able to shed heat better than a wire in a conduit (or in a hot engine compartment). These factors, plus others, are involved and must be considered, so inconsistencies are not necessarily errors, they are variations in the judgment and consideration of these factors!Explanation of why honest people HATE the ch3 (cheatin'-chinese-chicomms): [This is intended to be an objective explanation and not to become a bitching/venting-session, but it is added here with an explanation, therefore a good reason!]: It is this judgment which the ch3 are taking advantage of! If I consciously choose make the judgment to oversize the wire, because I want to minimize the Voltage Drop between power source and load, that is MY deliberate engineering decision. But if the ch3 secretly and cheatingly send me copper plated aluminum wire instead (and reap the profit from this deception), they are taking advantage of ME and that judgment, and since I oversized the wire, even their (higher Resistance copper plated aluminum cheat wire might still work OK), and I might not (without further tests) even notice it doesn't perform as well as real copper wire, so they have been successful in their deception! ...and THAT is why honest people HATE the ch3 (cheatin'-chinese-chicomms).
5. Mount the Lights and switch components.
6. Wire the components together with appropriate COPPER wire gauges.
use ACZP for all crimps
and current carrying electro-mechanical connections, including the relay and
fuse connectors, and mechanical mounts to
assure weather-proofness, especially on additional Lighting,
which because of its location out front, is often under increased environmental
attack!
A suggested Wiring Diagram is shown above.
Wiring Additional Lighting I
have not included a pilot Indicator or forward facing lighting, because
the additional light is in our field of view, but if also
installing a Rear-facing Fog Light, where this is not the case, an Indicator
could/should be added
as shown in the wiring diagram.
Add a snubbing Diode across the Relay Coil to minimize switch
contact erosion...this extends their service life! Polarity is important
when doing this, see:
Clamping
Diode Polarity
Use protective PCV (not heat-shrink!) sleeving, route and
secure harness to prevent vibration or other damage.
7. Perform Electrical Checks
Enjoy Additional Lighting!
-------------------------------
Links to other SW-EM Articles on Lighting:
Not to get unnecessarily more complex, but Fog and Spot/Driving Light control of the 123GT model has the automatic switching/enabling already built in, and is different from the US to the Euro wiring! This is covered separately here: 123GT Consideration of Lighting Differences
http://www.sw-em.com/lighting.htm#relay_controlled_headlights
https://www.sw-em.com/Amazon_Rear_Light_Fixture_Restoration.htm
https://www.sw-em.com/voltage_drop_in_headlights_power_in_hex_connector.htm
https://www.sw-em.com/Amazon%20Lightswitch%20Review%20and%20Refurbishing%20Notes.htm
-------------------------------
History and Evolution of US Vehicular Lighting:
https://www.youtube.com/watch?v=c2J91UG6Fn8
A well presented history of automotive lighting featuring the "Sealed Beam
Headlight".

-------------------------------
External material sources are attributed. Otherwise, this article is Copyright © 2021-2026. Ronald Kwas. The terms Volvo, HELLA, SWF, and other manufacturers or suppliers, are used for reference only. I have no affiliation with any of these companies other than to try to keep their automotive electrical products working for me, help other enthusiasts do the same, and also present my highly opinionated results of the use of their products here (like giving Lucas all the grief they so richly deserve!). The information presented comes from my own experience and carefully considered opinion, and can be used (or not!), or ridiculed and laughed at, or worshipped, at the readers discretion. As with any recipe, your results may vary, and you are, and will always be, in charge of your own knuckles!
You are welcome to use the information here in good health, and for your own non-commercial purposes, but if you reprint or otherwise republish this article, you must give credit to the author or link back to the SwEm site as the source. If you don’t, you’re just a lazy, scum sucking plagiarist, and the Boston Globe wants you! As always, if you can supply corrections, or additional objective information or experience, I will always consider it, and consider working it into the next revision of this article...along with likely the odd metaphor and probably wise-a** comment.